Monday - Friday / 8AM - 11PM

Kenya Bentonite Cat Litter Production Line

Kenya Bentonite Cat Litter Production Line

Kenya is rich in resources and boasts a wide variety of minerals, including non-metallic minerals such as bentonite. Bentonite, as an important non-metallic mineral resource, is widely used in cat litter production. The customer expressed his desire to add a complete cat litter production line to their bentonite cat litter production facility. Therefore, we recommended the following equipment based on the processes required in bentonite cat litter production.

How can we use our crushing equipment to produce bentonite cat litter?

The Raymond Mill

MAXTON Raymond mill pulverizes bulk bentonite raw materials into fine, uniform particles. This process is crucial to ensuring the quality of the cat litter product. The treated bentonite has a higher specific surface area, enhancing the raw material’s adsorption capacity and thus improving the performance of the cat litter. The Raymond mill can process large amounts of material in a short time with low energy consumption. Furthermore, due to the hardness and durability of bentonite, the Raymond mill is made of high-quality materials and is durable.

Mineral Powder Granulation
What other essential equipment can we provide to help produce high-quality bentonite cat litter?

The MAXTON disc granulator is the core equipment in a bentonite cat litter production line. This equipment uses mechanical force to process bentonite powder into cat litter granules. This equipment offers high production efficiency and enables continuous production. Furthermore, it allows for control of the shape, size, and quality of the litter during production. Disc granulators are also a commonly used granulation machine. If you prefer wet granulation, a disc granulator may be more suitable.

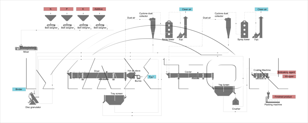
Cat Litter Production Line Process

disc granulation production lines

First, a raw material crusher breaks down bulky raw materials into uniform granules.

Then, a mixer incorporates additives such as deodorizers or adhesives. For granulation, we offer a disc granulator.

Drying is performed using a rotary dryer or air drying system, followed by a vibrating screener for size control.

Finally, an automatic packaging machine measures, bags, and seals the finished granules.

Optional systems such as dust collectors and deodorizers help meet environmental standards.

Disc Granulation Production Line1

If you require fertilizer solutions using other materials, we also offer custom designs. Examples include bentonite fertilizer processing solutions, cow dung fertilizer production systems, chicken manure processing solutions, sheep manure fertilizer technology, and more.

Contact us today to customize your unique fertilizer solution!

Project Information

  • Request:

    Bentonite Cat Litter

  • Production line:

    Cat Litter Production Line

  • Equipment:

    Disc Granulator

  • Location:

    Kenya

We provide the design and equipment for the following fertilizer granulation systems

Give us a call or Simply Complete the Form

Address: Zhengzhou City, Henan Province, China
Phone: +86-18237180035
Email: svip@maxtonorg.com